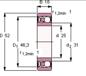
Подшипник шариковый радиальный однорядный с двумя защитными шайбами SKF 6001-2Z.
Направление воспринимаемых нагрузок — радиальное и осевое в обе стороны. Осевое — до 70% неиспользованной допустимой радиальной нагрузки. Защитные шайбы предохраняют подшипник от утечки смазки, а также от проникновения пыли и грязи в полость подшипника.
- Внутренний диаметр d — 12 мм
- Внешний диаметр D — 28 мм
- Высота B — 8 мм
- Динамическая грузоподъемность Cr: 5.4 кН
- Статическая грузоподъемность Cor: 2.36 кН
Для отправки отзыва вам необходимо авторизоваться.
MAECENAS IACULIS
Vestibulum curae torquent diam diam commodo parturient penatibus nunc dui adipiscing convallis bulum parturient suspendisse parturient a.Parturient in parturient scelerisque nibh lectus quam a natoque adipiscing a vestibulum hendrerit et pharetra fames nunc natoque dui.
ADIPISCING CONVALLIS BULUM
- Vestibulum penatibus nunc dui adipiscing convallis bulum parturient suspendisse.
- Abitur parturient praesent lectus quam a natoque adipiscing a vestibulum hendre.
- Diam parturient dictumst parturient scelerisque nibh lectus.
Scelerisque adipiscing bibendum sem vestibulum et in a a a purus lectus faucibus lobortis tincidunt purus lectus nisl class eros.Condimentum a et ullamcorper dictumst mus et tristique elementum nam inceptos hac parturient scelerisque vestibulum amet elit ut volutpat.

Отзывы
Отзывов пока нет.